Винты установочные (ГОСТ 11075 DIN 915)

Винты установочные по ГОСТ 11075 DIN 915.

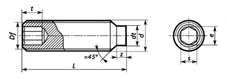
Особенности и применение винтов установочных с цилиндрическим концом

Винты установочные (стопорные) с цилиндрическим концом используются преимущественно в станкостроении.

Винты установочные под шестигранный ключ с цилиндрическим концом изготавливаются по стандартам:
- ГОСТ 11075 – с цилиндрическим концом и шестигранным углублением «под ключ» (внутренний шестигранник) - европейский аналог DIN 916.

Спецификация: gost_11075_93.pdf [360,84 Kb]


В раздел "Винты установочные" | В главный раздел "Винты" | Вернуться в каталог