Шайбы (ГОСТ 11371 DIN 125)

Шайбы по ГОСТ 11371 DIN 125.

Особенности и применение плоских шайб

Шайбы плоские по ГОСТ 11371 предназначены для использования в резьбовых соединениях пневматических и гидравлических агрегатов машин и автомобилей. Применяются совместно со специальными болтами, винтами, шпильками с диаметрами резьбы от М1 до М48.

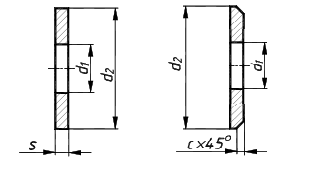
Шайбы плоские по ГОСТ 11371 производятся в двух исполнениях:
- Исполнение 1 - с ровной наружной кромкой;
Исполнение 2 - с фаской по наружной кромке (возможно для шайб с диаметром внутреннего отверстия более 5 мм).

Спецификация: gost_11371_78.pdf [302,71 Kb]


В раздел "Шайбы" | В раздел "Шайбы стопорные" | Вернуться в каталог