  |
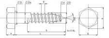
Предназначен для надежного и прочного крепления деревянных элементов конструкций, деревянных лаг и реек, сборки стропильных систем, перекрытий крыш, потолков, полов, тяжелых элементов конструкций (в том числе с помощью дюбелей бетон, кирпич, камень). Холоднокатанная сталь, шестигранная головка, крупная резьба, острый наконечник, оцинкованные Монтаж: просверлить отверстие в монтируемом элементе конструкции и основании, очистить его. При помощи гаечного ключа или дрели с шестигранной насадкой ввинтить шуруп.
Технические характеристики

|