Болты (ГОСТ 7786)

Болты по ГОСТ 7786.

Особенности и применение болтов

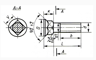
Болты с потайной головкой и квадратным подголовником по ГОСТ 7786 наиболее часто применяются для крепления навесного оборудования в различной сельскохозяйственной технике, поэтому некоторые из типоразмеров получили свои названия, связанные с типом механизмов и машин, в которых они применяются.

Спецификация: gost_7786_81.pdf [245,13 Kb]


В раздел "Болты" | Вернуться в каталог