Болты (ГОСТ 7801)

Болты по ГОСТ 7801.

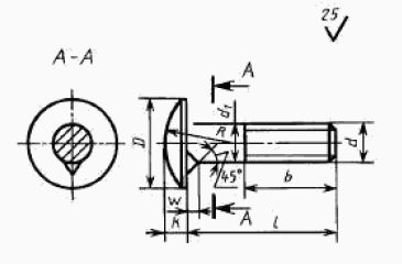
Особенности и применение болтов

Болты по ГОСТ 7801 применяются, в основном, для скрепления деревянных конструкций. Ус под головкой болта фиксируется в отверстии в древесине и препятствует проворачиванию болта.

Спецификация: gost_7801_81.pdf [292,57 Kb]


В раздел "Болты" | Вернуться в каталог