Болты (ГОСТ 7802)

Болты по ГОСТ 7802.

Особенности и применение болтов

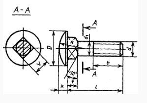
Болты по ГОСТ 7802 имеют квадратный подголовник, препятствующий прокручиванию болта после его фиксации в соответствующем квадратном отверстии. Зачастую болты по ГОСТ 7802 используются в качестве крепежа в деревянных конструкциях - болты забивают в отверстия, меньшие по диаметру, чем сечение квадратного подголовника. Также применяется в антивандальных металлических конструкциях (полукруглая головка болта не позволяет демонтировать болт без разрушения головки).

Спецификация: gost_7802_81.pdf [301,2 Kb]


В раздел "Болты" | Вернуться в каталог