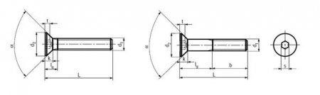
Винты (DIN 7991)

Винты по DIN 7991.

Особенности и применение винтов с потайной головкой под шестигранный ключ

Винты с потайной головкой и шлицем под шестигранный ключ / биту по стандарту DIN 7991 являются аналогом винтов с потайной головкой по ГОСТ 17475.

Винты по DIN 7991 применяются в случаях, когда необходима повышенная прочность резьбового соединения. Шестигранный потайной шлиц винтов по DIN 7991 позволяет осуществлять быстрый монтаж с применением пневматического или электрического инструмента и приложением значительных усилий затяжки. По этой причине винты по DIN 7991 применяются при конвейерной сборке высокопрочных узлов, механизмов, агрегатов.

Спецификация: 7991.pdf [2,33 Mb]


В раздел "Винты" | В главный раздел "Винты" | Вернуться в каталог